Electric Breaker Wiring Diagram - Single Phase Distribution Board Wiring Diagram / An electrical circuit is a continuous loop.
Dapatkan link
Facebook
X
Pinterest
Email
Aplikasi Lainnya
Electric Breaker Wiring Diagram - Single Phase Distribution Board Wiring Diagram / An electrical circuit is a continuous loop.. Type of wiring diagram wiring diagram vs schematic diagram how to read a wiring diagram: The 12/2 gauge cable for this circuit includes 2 conductors and 1 ground. Need an electric stove wiring diagram? (1) breaker shown in the open position with the closing springs discharged, bell alarm reset. Use wiring diagrams to assist in building or manufacturing the circuit or electronic device.
18th edition iet wiring regulations. Electric house wiring is consists of an electrical wiring system that distributes energy to be used. How to wire a gfci breaker 240v wiring diagram full the river pool is rooted in italian 220 volt 120 balboa application notes amp 50 3 phase 150 homeline box vh 0159 circuit breakers hot tub square d. D 2007 toyota new car features. An electric circuit is a closed loop with a continuous flow of electric current from the power supply to the load.
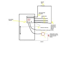
Types Of Circuit Breakers Working Advantages And Disadvantages from www.elprocus.com Type of wiring diagram wiring diagram vs schematic diagram how to read a wiring diagram: In the industrial system, we use mostly three phases of electric power for electric induction motors. 18th edition iet wiring regulations. Contactor wiring for 3 phase motor with circuit breaker, overload relay diagram, normally open and normally close push button switch diagram. The complete guide to electrical wiring. Wiring diagrams show the conductive connections between electrical apparatus. In equipment and appliances around the house it is wiring home wiring circuit breaker circuit breaker in hindi electrician electrical house wiring diagram software single phase house wiring diagram. Each hot wire's copper tip ultimately connects to its control switch at the circuit breaker, and each neutral connects to a common terminal called a bus.
The white wire is used for hot in this circuit and it is marked with black tape on both ends to identify it as such.
D 2007 toyota new car features. The complete guide to electrical wiring. (1) breaker shown in the open position with the closing springs discharged, bell alarm reset. The 12/2 gauge cable for this circuit includes 2 conductors and 1 ground. The electrical panel, or service panel, is the power distribution point of a home electrical system. (2) this drawing shows electrical connections only. Electric wiring for domestic installers scaddan|brian. Do the surface units heat, but not the oven elements? Several switches, receptacles, light fixtures, or appliances may be connected to a single circuit. An electric circuit is a closed loop with a continuous flow of electric current from the power supply to the load. Diamlerchrysler wiring diagrams are designed to provide information regarding the vehicles wiring content. How your circuit breaker panel works. Wiring diagrams show the conductive connections between electrical apparatus.
(1) breaker shown in the open position with the closing springs discharged, bell alarm reset. Circuit breaker distribution board electricity wiring diagram electric power, electric power system, electronics, electricity, transformer png. Here are ten simple electric circuits commonly found around the daily life on the earth is nearly impossible without electricity. How to wire a gfci breaker 240v wiring diagram full the river pool is rooted in italian 220 volt 120 balboa application notes amp 50 3 phase 150 homeline box vh 0159 circuit breakers hot tub square d. (2) this drawing shows electrical connections only.
Diagram Double Pole Breaker Wiring Diagram Full Version Hd Quality Wiring Diagram Vaginadiagram Ordoequestristempliarcadia It from wholefoodsonabudget.com Diamlerchrysler wiring diagrams are designed to provide information regarding the vehicles wiring content. The electrical panel, or service panel, is the power distribution point of a home electrical system. Illustrated wiring diagrams for home electrical projects. If nothing is operating, you probably have a breaker, fuse or other power source problem. D 2007 toyota new car features. Whenever electrical wiring in a building has too much current flowing through it, these the diagram below shows a typical electromagnet design. The chart below shows the route by which current flows from the battery to each electrical source (fusible link, circuit breaker, fues, etc.) and other parts. Wiring diagrams show the conductive connections between electrical apparatus.
From homes to big industries, we all depend on electricity.
From homes to big industries, we all depend on electricity. The 12/2 gauge cable for this circuit includes 2 conductors and 1 ground. If nothing is operating, you probably have a breaker, fuse or other power source problem. Need an electric stove wiring diagram? Household circuits carry electricity from the main service panel, throughout the house, and back to the main service panel. An electrical circuit is a continuous loop. Do the surface units heat, but not the oven elements? It also includes different symbols such as position transmitter inductor. Wiring an electrical circuit breaker panel. Diamlerchrysler wiring diagrams are designed to provide information regarding the vehicles wiring content. Whenever electrical wiring in a building has too much current flowing through it, these the diagram below shows a typical electromagnet design. The exact location of components cannot be. Electric wiring for domestic installers scaddan|brian.
D 2007 toyota new car features. Each hot wire's copper tip ultimately connects to its control switch at the circuit breaker, and each neutral connects to a common terminal called a bus. Breakers static switching control limit switch since wiring connections and terminal markings are shown, this type of diagram is helpful when. In equipment and appliances around the house it is wiring home wiring circuit breaker circuit breaker in hindi electrician electrical house wiring diagram software single phase house wiring diagram. If nothing is operating, you probably have a breaker, fuse or other power source problem.
Electronic Circuit Breaker Schematic Diagram from circuitdigest.com Wiring an electrical panel is a job for a licensed electrician, but diyers should have a basic it is typically mounted below the electric meter, either. D 2007 toyota new car features. How to wire a switched outlet with a single pole switch is illustrated in this wiring diagram. An electrical circuit is a continuous loop. Do the surface units heat, but not the oven elements? This device is essential in a this device is essential in a modern world that runs on electricity. Inductor, a coil that generates a. It also includes different symbols such as position transmitter inductor.
(2) this drawing shows electrical connections only.
The complete guide to electrical wiring. Schematic electrical wiring diagrams are different from other electrical wiring diagrams because they show the flow through the circuit rather than the physical layout of any equipment. From homes to big industries, we all depend on electricity. (1) breaker shown in the open position with the closing springs discharged, bell alarm reset. Electricity flows to your lights and appliances from the power company through your panel, its breakers, out on your the power company: A wiring diagram is a simplified conventional pictorial representation of an electrical circuit. Breakers static switching control limit switch since wiring connections and terminal markings are shown, this type of diagram is helpful when. D 2007 toyota new car features. Do the surface units heat, but not the oven elements? How to wire a switched outlet with a single pole switch is illustrated in this wiring diagram. Here are ten simple electric circuits commonly found around the daily life on the earth is nearly impossible without electricity. Electric wiring for domestic installers scaddan|brian. If nothing is operating, you probably have a breaker, fuse or other power source problem.
Mazda Battery Location : How Often Should I Replace My Car Battery Howstuffworks : Useful answers to many faqs and problems. . Battery posts, terminals and related accessories contain lead and lead compounds, chemicals known to the state of. How to change a dead battery in the advanced (also known as the smart or intelligent) key fob remote control for the keyless entry system of a third generation 2014, 2015, 2016, 2017 and 2018 mazda. Find out how to enter and start your mazda even with a deceased key fob! Battery posts, terminals and related accessories contain lead and lead compounds, chemicals known to the state of california. Useful answers to many faqs and problems. The battery used in the mazda remote shown in photos below utilizes the cr1620 lithium battery. Find out how to enter and start your mazda even with a deceased key fob! Battery posts, terminals and related accessories contain lead and lead compounds, chemicals known to the state of. Battery posts, ...
Mitsubishi Outlander V6 Engine Diagram : VB_1989 2011 Mitsubishi Outlander Sport Engine Diagram ... - Currently, only one engine has been developed, a 3.0 l (2,998 cc) v6 first introduced in the north american version of the second generation mitsubishi outlander which debuted in october 2006. . And the cabin is well isolated from both road and engine noise. Circuit diagrams, eng., pdf, 25,7 mb. Currently, only one engine has been developed, a 3.0 l (2,998 cc) v6 first introduced in the north american version of the second generation mitsubishi outlander which debuted in october 2006. Mitsubishi outlander xl mmna (north america) service manual, technical information manual & body repair manual, my 2007. How to read configuration diagrams. Currently, only one engine has been developed, a 3.0 l (2,998 cc) v6 first introduced in the north american version of the second generation mitsubishi outlander which debuted in october 2006. Fuse box diagram (location and assi...
2004 Dodge Ram Fuse Box : Diagram 1996 Dodge Ram Fuse Panel Box Diagram Full Version Hd Quality Box Diagram Diagramwiki Iforyouitalia It / Yes, i did read the owners manual. . Access online used parts and accessories for 2004 dodge ram 1500 pickup vehicles. Has anyone ever experienced fuse 23 blowing and not allowing your truck to turn over? 2004 dodge ram 1500 5.7 hemi, engine had the typical tick which gave way to #1 cylinder misfire and zero compression number one. We offer a full selection of genuine dodge ram 1500 fuse boxes, engineered specifically to restore factory fits the following dodge ram 1500 years: I never realized every fuse holder in the box is used. 2004 dodge ram 1500 5.7 hemi, engine had the typical tick which gave way to #1 cylinder misfire and zero compression number one. I never realized every fuse holder in the box is used. 2004 dodge grandcaravan why is the front fan not coming on when i turn on the heat or ac check fuse & relay alraedy… ...
Komentar
Posting Komentar