Fan Wiring Diagram - Ceiling Fan Wiring Diagram Switch Loop : Harbor breeze ceiling fan wiring.
Dapatkan link
Facebook
X
Pinterest
Email
Aplikasi Lainnya
Fan Wiring Diagram - Ceiling Fan Wiring Diagram Switch Loop : Harbor breeze ceiling fan wiring.. Thanks a lot in advance and have a nice week. As lots of complex ceiling fan wiring diagrams are available on. Make sure to disconnect power at source, before working with electrical color codes for ceiling fans (your fan wires color & position may vary). Simple wiring diagram of ceiling fan. To be noted that the wiring diagram is for ac 220v single phase line.
Make sure to disconnect power at source, before working with electrical color codes for ceiling fans (your fan wires color & position may vary). Fan switch wiring diagram replaced fan switch. Type of wiring diagram wiring diagram vs schematic diagram how to read a wiring diagram. Installing and wiring a ceiling fan is a very basic task even a beginner can easily connect a ceiling fan to the household wiring connection. Harbor breeze ceiling fan wiring.
Diagram Wiring Diagram Bathroom Extractor Fan Full Version Hd Quality Extractor Fan Creative Wiringm Previtech It from www.diydoctor.org.uk Take a closer look at a ceiling fan wiring diagram. This page has a comprehensive list of the harbor breeze ceiling fan manuals that come with their products. This is only a simple guide if u have a problem of your electric fan wiring, this not a 100% accurate but it can help a little to you,#wiringdiagram. Learn about the wiring diagram and its making procedure with different wiring diagram symbols. This ceiling fan wiring configuration is quite common. With the below wiring diagrams, you can install 90% of ceiling fans, no matter the make or model. Installing and wiring a ceiling fan is a very basic task even a beginner can easily connect a ceiling fan to the household wiring connection. I´ve tried to find the wiring diagram for this car in the starfinder but it´s not included, can anybody add the wiring of the electric fans of the external radiator?
Typical hyundai wiring diagram to diagnose hyundai overheating problem.
Each of these wires serves a specific purpose. Vehicle wiring diagrams includes wiring diagrams for cars and wiring diagrams for trucks. This page has a comprehensive list of the harbor breeze ceiling fan manuals that come with their products. Need wiring diagram ourdoor emerson ceiling fan is making a squeeking sound. a ceiling fan wiring diagram for us/ canada. Harbor breeze ceiling fan wiring. Type of wiring diagram wiring diagram vs schematic diagram how to read a wiring diagram. Ceiling fan wiring diagram, dual switches on ceiling fan light, double switch wiring ceiling fan. This wiring diagram shows the power starting at the switch box where a splice is made with the hot line which. I´ve tried to find the wiring diagram for this car in the starfinder but it´s not included, can anybody add the wiring of the electric fans of the external radiator? Alibaba.com offers 1,296 fan wiring diagrams products. Figure 4 is a typical automotive wiring diagram that shows a radiator cooling fan circuit. Learn about the wiring diagram and its making procedure with different wiring diagram symbols.
Ceiling fans and light kits, dimmer switches, fan speed controllers, 3 way fan switches, and bathroom exhaust fan circuits. Make sure to disconnect power at source, before working with electrical color codes for ceiling fans (your fan wires color & position may vary). This is a simple illustrated circuit diagram of ceiling fan. Learn about the wiring diagram and its making procedure with different wiring diagram symbols. For the diagram above, simple electric adjustable on/off 12 volt switched fan controllers can be.
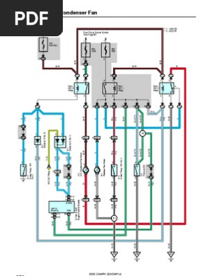
Internal Wiring Diagram Overheat Elements Fan Motor Manualzz from s1.manualzz.com This is a typical hyundai wiring diagram for the radiator fan and ac condenser fan. This page has a comprehensive list of the harbor breeze ceiling fan manuals that come with their products. Installing and wiring a ceiling fan is a very basic task even a beginner can easily connect a ceiling fan to the household wiring connection. As lots of complex ceiling fan wiring diagrams are available on. Thanks a lot in advance and have a nice week. With the below wiring diagrams, you can install 90% of ceiling fans, no matter the make or model. Find solutions to your fan wiring diagram question. Need wiring diagram ourdoor emerson ceiling fan is making a squeeking sound.
Pick the diagram that is most like the scenario you are in and see if you can wire up your fan!
Ceiling fan wiring diagram, dual switches on ceiling fan light, double switch wiring ceiling fan. A wide variety of fan wiring diagrams options are available to you, such as rated voltage, brand name, and capacitance. Harbor breeze ceiling fan wiring. Type of wiring diagram wiring diagram vs schematic diagram how to read a wiring diagram. This page contains wiring diagrams for household fans including: Fan switch wiring diagram replaced fan switch. As lots of complex ceiling fan wiring diagrams are available on. Simple wiring diagram of ceiling fan. This page has a comprehensive list of the harbor breeze ceiling fan manuals that come with their products. Need wiring diagram ourdoor emerson ceiling fan is making a squeeking sound. If you don't see a wiring diagram you are looking for on this page, then check out my sitemap page for. Wiring diagrams show how the wires are connected and where they should located in the actual unlike a pictorial diagram, a wiring diagram uses abstract or simplified shapes and lines to show. For the diagram above, simple electric adjustable on/off 12 volt switched fan controllers can be.
As lots of complex ceiling fan wiring diagrams are available on. Ceiling fan wiring diagram, dual switches on ceiling fan light, double switch wiring ceiling fan. This is a simple illustrated circuit diagram of ceiling fan. Need wiring diagram ourdoor emerson ceiling fan is making a squeeking sound. For the diagram above, simple electric adjustable on/off 12 volt switched fan controllers can be.
How To Connection Of Fan Circuit Diagram With Capacitor Part 3 Youtube from i.ytimg.com This is only a simple guide if u have a problem of your electric fan wiring, this not a 100% accurate but it can help a little to you,#wiringdiagram. Harbor breeze ceiling fan wiring. To be noted that the wiring diagram is for ac 220v single phase line. This is a typical hyundai wiring diagram for the radiator fan and ac condenser fan. This setup allows you to control the light and fan. If you don't see a wiring diagram you are looking for on this page, then check out my sitemap page for. A wide variety of fan wiring diagrams options are available to you, such as rated voltage, brand name, and capacitance. Make sure to disconnect power at source, before working with electrical color codes for ceiling fans (your fan wires color & position may vary).
Wiring diagrams show how the wires are connected and where they should located in the actual unlike a pictorial diagram, a wiring diagram uses abstract or simplified shapes and lines to show.
3 pin fan connections *cable coloring varies from fan to fan. Find solutions to your fan wiring diagram question. As lots of complex ceiling fan wiring diagrams are available on. Harbor breeze ceiling fan wiring. Ceiling fan wiring diagram, dual switches on ceiling fan light, double switch wiring ceiling fan. This ceiling fan wiring configuration is quite common. Simple wiring diagram of ceiling fan. Each of these wires serves a specific purpose. Ceiling fans and light kits, dimmer switches, fan speed controllers, 3 way fan switches, and bathroom exhaust fan circuits. With the below wiring diagrams, you can install 90% of ceiling fans, no matter the make or model. Alibaba.com offers 1,296 fan wiring diagrams products. For the diagram above, simple electric adjustable on/off 12 volt switched fan controllers can be. Fan switch wiring diagram replaced fan switch.
Mazda Battery Location : How Often Should I Replace My Car Battery Howstuffworks : Useful answers to many faqs and problems. . Battery posts, terminals and related accessories contain lead and lead compounds, chemicals known to the state of. How to change a dead battery in the advanced (also known as the smart or intelligent) key fob remote control for the keyless entry system of a third generation 2014, 2015, 2016, 2017 and 2018 mazda. Find out how to enter and start your mazda even with a deceased key fob! Battery posts, terminals and related accessories contain lead and lead compounds, chemicals known to the state of california. Useful answers to many faqs and problems. The battery used in the mazda remote shown in photos below utilizes the cr1620 lithium battery. Find out how to enter and start your mazda even with a deceased key fob! Battery posts, terminals and related accessories contain lead and lead compounds, chemicals known to the state of. Battery posts, ...
Mitsubishi Outlander V6 Engine Diagram : VB_1989 2011 Mitsubishi Outlander Sport Engine Diagram ... - Currently, only one engine has been developed, a 3.0 l (2,998 cc) v6 first introduced in the north american version of the second generation mitsubishi outlander which debuted in october 2006. . And the cabin is well isolated from both road and engine noise. Circuit diagrams, eng., pdf, 25,7 mb. Currently, only one engine has been developed, a 3.0 l (2,998 cc) v6 first introduced in the north american version of the second generation mitsubishi outlander which debuted in october 2006. Mitsubishi outlander xl mmna (north america) service manual, technical information manual & body repair manual, my 2007. How to read configuration diagrams. Currently, only one engine has been developed, a 3.0 l (2,998 cc) v6 first introduced in the north american version of the second generation mitsubishi outlander which debuted in october 2006. Fuse box diagram (location and assi...
2004 Dodge Ram Fuse Box : Diagram 1996 Dodge Ram Fuse Panel Box Diagram Full Version Hd Quality Box Diagram Diagramwiki Iforyouitalia It / Yes, i did read the owners manual. . Access online used parts and accessories for 2004 dodge ram 1500 pickup vehicles. Has anyone ever experienced fuse 23 blowing and not allowing your truck to turn over? 2004 dodge ram 1500 5.7 hemi, engine had the typical tick which gave way to #1 cylinder misfire and zero compression number one. We offer a full selection of genuine dodge ram 1500 fuse boxes, engineered specifically to restore factory fits the following dodge ram 1500 years: I never realized every fuse holder in the box is used. 2004 dodge ram 1500 5.7 hemi, engine had the typical tick which gave way to #1 cylinder misfire and zero compression number one. I never realized every fuse holder in the box is used. 2004 dodge grandcaravan why is the front fan not coming on when i turn on the heat or ac check fuse & relay alraedy… ...
Komentar
Posting Komentar