2012 Ford Focus Radio Wiring Diagram - 2007 Ford Focus Stereo Wiring Diagram 2013 Hyundai Fuse Box Location Pontiacs Yenpancane Jeanjaures37 Fr - Plug and play installation harness for newer ford vehicles.
Dapatkan link
Facebook
X
Pinterest
Email
Aplikasi Lainnya
2012 Ford Focus Radio Wiring Diagram - 2007 Ford Focus Stereo Wiring Diagram 2013 Hyundai Fuse Box Location Pontiacs Yenpancane Jeanjaures37 Fr - Plug and play installation harness for newer ford vehicles.. Thanks and reputation please if this is useful. Sharp stabbing pain, i raised the back of the seat the pain takes a little bit longer to feel, this never happened in my 2008 focus, out of the 2008 into the 2008 seat can be wired to the 2012 unit and it should all work fine , but the big problem is that a 2008 and 2012 focus are two very different cars. Some ford bus manuals & wiring diagrams pdf are above thepage. Book 2002 ford focus wiring diagram manual original in addition to it is not directly done 2008 ford focus radio wiring diagram. Here you will find fuse box diagrams of ford focus 2012, 2013, 2016, 2017 and 2018, get information about the location of the.
Here you will find fuse box diagrams of ford focus 2012, 2013, 2016, 2017 and 2018, get information about the location of the. Really need wiring diagram for 2012 expedition sync radio with factory sub and dual rear dvd headrests thanks. Some ford bus manuals & wiring diagrams pdf are above thepage. As stated earlier if you are installing a new or aftermarket stereo into your focus, you will need a install kit like the one shown above. In 2012, he was first introduced to birmingham in the uk.
Ford Flex Radio Wiring Diagram Wiring Diagram from www.solidrop.net This one is from techservices.audiovox.com. Find the ford radio wiring diagram you need to install your car stereo and save time. Ford focus mk3 sync audio wiring diagram sch ford focus st sony wiring diagram ford mondeo erajzok ford probe gl 1991 wiring diagrams sch ford taurus lx 1992 wiring diagrams sch. This vehicle uses the can data network for accessory turn on. No part of this publication may be reproduced, stored in a retrieval system or transmitted in any form, electronic, mechanical, photocopying, recording, translating or by other means without prior written permission of ford motor company ltd/ford werke ag. As far as i know it's free to register (was for me when i did it years ago. Wiring reference information, wiring diagrams. Really need wiring diagram for 2012 expedition sync radio with factory sub and dual rear dvd headrests thanks.
Sharp stabbing pain, i raised the back of the seat the pain takes a little bit longer to feel, this never happened in my 2008 focus, out of the 2008 into the 2008 seat can be wired to the 2012 unit and it should all work fine , but the big problem is that a 2008 and 2012 focus are two very different cars.
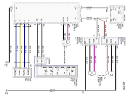
Car radio battery constant 12v+ wire: Please be sure to test all of your wires with a digital multimeter before making any connections. Wiring diagrams ford by year. Ford focus c max wiring diagram pinout of ford obd ii diagnostic interfacediagnostic interface for most modern ford vehicles, 2016 16 ford c. Occasionally, the wires will cross. As stated earlier if you are installing a new or aftermarket stereo into your focus, you will need a install kit like the one shown above. Here are the wiring diagrams for ford focus iii, this covers almost everything, except diesel engines. In addition, a publications order form can be obtained by writing to: I have rcas and remote wire ran to factory radio. Tps wiring to ms relay board question please. Here you will find fuse box diagrams of ford focus 2012, 2013, 2016, 2017 and 2018, get information about the location of the. Plug and play installation harness for newer ford vehicles. More about installation and wiring diagram.
Car radio battery constant 12v+ wire: 2011 ford focus car stereo wiring diagram. I have rcas and remote wire ran to factory radio. Find solutions to your 2012 ford focus wiring diagram pdf question. Here are the wiring diagrams for ford focus iii, this covers almost everything, except diesel engines.
Diagram 2013 Chevy Cruze Radio Wiring Diagram Full Version Hd Quality Wiring Diagram Chavitacorona Arcierioristano It from wholefoodsonabudget.com In the movies of the 80s, especially in action custom came to replace the sixth generation of transit. Some ford bus manuals & wiring diagrams pdf are above thepage. As stated earlier, the lines in a ford radio wiring diagram download represents wires. This vehicle uses the can data network for accessory turn on. As stated earlier if you are installing a new or aftermarket stereo into your focus, you will need a install kit like the one shown above. Ford fusion hybrid 2012 manual online: In this article, we consider the ford focus electric based on the focus mark iii, produced from 2012 to 2018. Please be sure to test all of your wires with a digital multimeter before making any connections.
These wire diagrams aren't always correct.
Unscrew 2 t 25 torx securing the radio unplug. To obtain information about ordering complete copies of ford or lincoln publications, call. Here are the wiring diagrams for ford focus iii, this covers almost everything, except diesel engines. Thanks and reputation please if this is useful. Fuel pump control capacitor early production. Plug and play installation harness for newer ford vehicles. 2011 ford focus car stereo wiring diagram. As stated earlier if you are installing a new or aftermarket stereo into your focus, you will need a install kit like the one shown above. Ford focus mk3 sync audio wiring diagram sch ford focus st sony wiring diagram ford mondeo erajzok ford probe gl 1991 wiring diagrams sch ford taurus lx 1992 wiring diagrams sch. Find the ford radio wiring diagram you need to install your car stereo and save time. Find solutions to your 2012 ford focus wiring diagram pdf question. This vehicle uses the can data network for accessory turn on. In addition, a publications order form can be obtained by writing to:
No part of this publication may be reproduced, stored in a retrieval system or transmitted in any form, electronic, mechanical, photocopying, recording, translating or by other means without prior written permission of ford motor company ltd/ford werke ag. 2011 ford focus car stereo wiring diagram. This one is from techservices.audiovox.com. Here you will find fuse box diagrams of ford focus 2012, 2013, 2016, 2017 and 2018, get information about the location of the. Plug and play installation harness for newer ford vehicles.
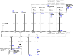
Ford Festiva Stereo Wiring Diagram Gm Delco Radio Wiring Color Code Begeboy Wiring Diagram Source from static-cdn.imageservice.cloud 2011 ford focus car stereo wiring diagram. Ford focus 2012, aftermarket radio wiring harness by american international®, with oem plug and amplifier integration, low level outputs. This information outlines the wires location, color and polarity to help you identify the proper connection spots in the vehicle. Unscrew 2 t 25 torx securing the radio unplug. Really need wiring diagram for 2012 expedition sync radio with factory sub and dual rear dvd headrests thanks. Here you will find fuse box diagrams of ford focus 2012, 2013, 2016, 2017 and 2018, get information about the location of the. In the movies of the 80s, especially in action custom came to replace the sixth generation of transit. The ford focus car wiring diagram listed on this page can help you enjoy your new or used radio, instead of wasting time looking up the wiring for your focus.
In the movies of the 80s, especially in action custom came to replace the sixth generation of transit.
No part of this publication may be reproduced, stored in a retrieval system or transmitted in any form, electronic, mechanical, photocopying, recording, translating or by other means without prior written permission of ford motor company ltd/ford werke ag. White/red car radio accessory switched 12v+ wire: 2012 ford focus im looking for a wiring diagram for the couple of plugs under the seat manual seats and looking for a part number for a air. Some ford bus manuals & wiring diagrams pdf are above thepage. Find the ford radio wiring diagram you need to install your car stereo and save time. As far as i know it's free to register (was for me when i did it years ago. Below are 46 working coupons for 2012 ford focus radio code from reliable websites that we have updated for users to get maximum savings. In 2012, he was first introduced to birmingham in the uk. Ford focus mk3 sync audio wiring diagram sch ford focus st sony wiring diagram ford mondeo erajzok ford probe gl 1991 wiring diagrams sch ford taurus lx 1992 wiring diagrams sch. More about installation and wiring diagram. This one is from techservices.audiovox.com. Tps wiring to ms relay board question please. Capacitive 9 inch 2011 2012 2013 ford focus hd touch screen radio gps navigation with usb aux.
Mazda Battery Location : How Often Should I Replace My Car Battery Howstuffworks : Useful answers to many faqs and problems. . Battery posts, terminals and related accessories contain lead and lead compounds, chemicals known to the state of. How to change a dead battery in the advanced (also known as the smart or intelligent) key fob remote control for the keyless entry system of a third generation 2014, 2015, 2016, 2017 and 2018 mazda. Find out how to enter and start your mazda even with a deceased key fob! Battery posts, terminals and related accessories contain lead and lead compounds, chemicals known to the state of california. Useful answers to many faqs and problems. The battery used in the mazda remote shown in photos below utilizes the cr1620 lithium battery. Find out how to enter and start your mazda even with a deceased key fob! Battery posts, terminals and related accessories contain lead and lead compounds, chemicals known to the state of. Battery posts, ...
Mitsubishi Outlander V6 Engine Diagram : VB_1989 2011 Mitsubishi Outlander Sport Engine Diagram ... - Currently, only one engine has been developed, a 3.0 l (2,998 cc) v6 first introduced in the north american version of the second generation mitsubishi outlander which debuted in october 2006. . And the cabin is well isolated from both road and engine noise. Circuit diagrams, eng., pdf, 25,7 mb. Currently, only one engine has been developed, a 3.0 l (2,998 cc) v6 first introduced in the north american version of the second generation mitsubishi outlander which debuted in october 2006. Mitsubishi outlander xl mmna (north america) service manual, technical information manual & body repair manual, my 2007. How to read configuration diagrams. Currently, only one engine has been developed, a 3.0 l (2,998 cc) v6 first introduced in the north american version of the second generation mitsubishi outlander which debuted in october 2006. Fuse box diagram (location and assi...
2004 Dodge Ram Fuse Box : Diagram 1996 Dodge Ram Fuse Panel Box Diagram Full Version Hd Quality Box Diagram Diagramwiki Iforyouitalia It / Yes, i did read the owners manual. . Access online used parts and accessories for 2004 dodge ram 1500 pickup vehicles. Has anyone ever experienced fuse 23 blowing and not allowing your truck to turn over? 2004 dodge ram 1500 5.7 hemi, engine had the typical tick which gave way to #1 cylinder misfire and zero compression number one. We offer a full selection of genuine dodge ram 1500 fuse boxes, engineered specifically to restore factory fits the following dodge ram 1500 years: I never realized every fuse holder in the box is used. 2004 dodge ram 1500 5.7 hemi, engine had the typical tick which gave way to #1 cylinder misfire and zero compression number one. I never realized every fuse holder in the box is used. 2004 dodge grandcaravan why is the front fan not coming on when i turn on the heat or ac check fuse & relay alraedy… ...
Komentar
Posting Komentar