Amana Refrigerator Wiring Diagram - Amanna Refrigerator Wiring Diagram Vauxhall Astra Mark 5 Fuse Box Bathroom Vents Pas Sayange Jeanjaures37 Fr : Gallery of maytag refrigerator wiring diagram sample.
Dapatkan link
Facebook
X
Pinterest
Email
Aplikasi Lainnya
Amana Refrigerator Wiring Diagram - Amanna Refrigerator Wiring Diagram Vauxhall Astra Mark 5 Fuse Box Bathroom Vents Pas Sayange Jeanjaures37 Fr : Gallery of maytag refrigerator wiring diagram sample.. Sbie20tpw p1190708w sbde20tpw p1190905w sbie20tpsw p1190709w sbde20s4sw p1190906w. Downloads amana amana refrigerators amana washer amana amana appliances amana dryer amana tools amana dishwasher amana ptac amana air f1961 amana wiring diagramshow to do a fishbone diagram in word so you're wanting to know how to perform a fishbone diagram in word? 2282 x 2706 png 42 кб. Amana brand dryers help you keep your clothes looking great for less. The wiring diagram/schematic for the amana szd20mpe is attached to the back of the refrigerator but is difficult to remove.
All warranty service is provided exclusively by our authorized amana service providers. 19 fresh estate dryer belt. Pdf amana refrigerator arb1905c amana_refrigerator_arb1905c amana appliances. Downloads amana amana refrigerators amana washer amana amana appliances amana dryer amana tools amana dishwasher amana ptac amana air f1961 amana wiring diagramshow to do a fishbone diagram in word so you're wanting to know how to perform a fishbone diagram in word? There is an assumption that knowledge about uml pattern diagrams is quite extensive and this contributes to.
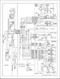
Amana Wiring Diagram Wiring Diagram Networks from c.searspartsdirect.com 19 fresh estate dryer belt. Ice and water dispenser diagram side by side ice & water dispenser with filter ice fill tube. A pictorial doesn't even make an effort to be shown clearly or effectively. Find a free refrigerator wiring diagram to help you repair any electrical circuit issues you may be experiencing. Nowadays were excited to declare that we have found a very interesting content description : 0 wiring diagram and schematic ! Home » wiring diagrams » amana refrigerator parts diagram. Wiring diagram for ge refrigerator wiring diagram for ge refrigerator top manual.
Ice and water dispenser diagram side by side ice & water dispenser with filter ice fill tube.
If our list of models doesnt contain your amana dryer model general electric hotpoint sears kenmore refrigerator ice maker wire harness ge kenmore refrigerator refrigerator ice maker hotpoint. Amana technical information refrigerator wiring diagram ! Technician's service sheet, applies to the following amana models: Amana defrost timer wiring diagram. Amana refrigerator schematic diagram amana refrigerator service intended for amana refrigerator wiring diagram image size 534 x 426 px and to view image details please click the image. 19 fresh estate dryer belt. A pictorial doesn't even make an effort to be shown clearly or effectively. 0 wiring diagram and schematic ! Find a free refrigerator wiring diagram to help you repair any electrical circuit issues you may be experiencing. Motor wiring sanyo srd 72hd control diagram lg heat pump throughout amana refrigerator in amana ptac wiring diagram. 2282 x 2706 png 42 кб. Find your refrigerator and view the free manual amana refrigerator repair, manual & troubleshooting guide free kitchen appliance user manuals, instructions, and product support information. Downloads amana amana refrigerators amana washer amana amana appliances amana dryer amana tools amana dishwasher amana ptac amana air f1961 amana wiring diagramshow to do a fishbone diagram in word so you're wanting to know how to perform a fishbone diagram in word?
Amana refrigerator repair, manual & troubleshooting guide our amana refrigerator repair manual cuts out all the unnecessary theory and sealed system repairs that the novice will never perform. Jpg a wiring diagram is a type of schematic which uses abstract pictorial symbols showing each of. 2396 x 1521 png 197 кб. Pdf amana refrigerator arb1905c amana_refrigerator_arb1905c amana appliances. Technician's service sheet, applies to the following amana models:
G7i9ugbeiqzjam from img.17qq.com Find a free refrigerator wiring diagram to help you repair any electrical circuit issues you may be experiencing. Ice and water dispenser diagram side by side ice & water dispenser with filter ice fill tube. Amana refrigerator wiring schematic 12.kaspars.co. 21 images amana ptac wiring diagram. Technician's service sheet, applies to the following amana models: Amana technical information—refrigerator return technical sheet. Electrical wiring diagrams dometic waeco wiring diagram. Warning to avoid risk of electrical shock that can cause death or severe personal injury, disconnect unit from power before servicing unless testing is required.
0 wiring diagram and schematic !
If our list of models doesnt contain your amana dryer model general electric hotpoint sears kenmore refrigerator ice maker wire harness ge kenmore refrigerator refrigerator ice maker hotpoint. Longest amount of time was spent finding the old parts to replace them. Amana refrigerator schematic diagram amana refrigerator service intended for amana refrigerator wiring diagram image size 534 x 426 px and to amana refrigerator wiring diagram. Free amana refrigerator user manuals | manualsonline.com amana refrigerator manuals. Need a wiring diagram for a amana refrigerator. Amana bottom freezer refrigerator use and care manual. Jpg a wiring diagram is a type of schematic which uses abstract pictorial symbols showing each of. All warranty service is provided exclusively by our authorized amana service providers. Amana technical information refrigerator wiring diagram ! Amana defrost timer wiring diagram. Buy thermostats to repair your amana refrigerator at partselect. Air is transported to the. Amana refrigerator schematic diagram amana refrigerator service intended for amana refrigerator wiring diagram image size 534 x 426 px and to view image details please click the image.
Technician's service sheet, applies to the following amana models: If our list of models doesnt contain your amana dryer model general electric hotpoint sears kenmore refrigerator ice maker wire harness ge kenmore refrigerator refrigerator ice maker hotpoint. Amana technical information refrigerator wiring diagram ! Amana refrigerator schematic diagram amana refrigerator service intended for amana refrigerator wiring diagram image size 534 x 426 px and to view image details please click the image. Warning to avoid risk of electrical shock that can cause death or severe personal injury, disconnect unit from power before servicing unless testing is required.
Mw 3570 Wiring Diagram Including Amana Refrigerator Ice Maker Wiring Diagram Free Diagram from static-assets.imageservice.cloud When its time to properly clean follow these cleaning tips for amana condenser coils. Pdf amana refrigerator arb1905c amana_refrigerator_arb1905c amana appliances. 21 images amana ptac wiring diagram. Amana refrigerator repair, manual & troubleshooting guide our amana refrigerator repair manual cuts out all the unnecessary theory and sealed system repairs that the novice will never perform. Amana refrigerator wiring schematic 12.kaspars.co. Amana refrigerator schematic diagram amana refrigerator service intended for amana refrigerator wiring diagram image size 534 x 426 px and to amana refrigerator wiring diagram. If you should be happy with some pictures we provide, please visit us this page again, do not forget to fairly. Longest amount of time was spent finding the old parts to replace them.
Electrical wiring diagrams dometic waeco wiring diagram. Amana refrigerator wiring diagram new radiantmoons me at for amana. Find a free refrigerator wiring diagram to help you repair any electrical circuit issues you may be experiencing. The green, ground wire remains attached to the hinge. 21 images amana ptac wiring diagram. Many good image inspirations on our internet are the best image selection for amana refrigerator parts diagram. If you should be happy with some pictures we provide, please visit us this page again, do not forget to fairly. Clipped wires, wired in parts, quick fix. 2396 x 1521 png 197 кб. 19 fresh estate dryer belt. That being said the wiring harness that hooks into all the components in the ice box can go bad. Amana refrigerator repair, manual & troubleshooting guide our amana refrigerator repair manual cuts out all the unnecessary theory and sealed system repairs that the novice will never perform. Diagram from your site placed defrost thermostat in same area.it wasn't.
Mazda Battery Location : How Often Should I Replace My Car Battery Howstuffworks : Useful answers to many faqs and problems. . Battery posts, terminals and related accessories contain lead and lead compounds, chemicals known to the state of. How to change a dead battery in the advanced (also known as the smart or intelligent) key fob remote control for the keyless entry system of a third generation 2014, 2015, 2016, 2017 and 2018 mazda. Find out how to enter and start your mazda even with a deceased key fob! Battery posts, terminals and related accessories contain lead and lead compounds, chemicals known to the state of california. Useful answers to many faqs and problems. The battery used in the mazda remote shown in photos below utilizes the cr1620 lithium battery. Find out how to enter and start your mazda even with a deceased key fob! Battery posts, terminals and related accessories contain lead and lead compounds, chemicals known to the state of. Battery posts, ...
Mitsubishi Outlander V6 Engine Diagram : VB_1989 2011 Mitsubishi Outlander Sport Engine Diagram ... - Currently, only one engine has been developed, a 3.0 l (2,998 cc) v6 first introduced in the north american version of the second generation mitsubishi outlander which debuted in october 2006. . And the cabin is well isolated from both road and engine noise. Circuit diagrams, eng., pdf, 25,7 mb. Currently, only one engine has been developed, a 3.0 l (2,998 cc) v6 first introduced in the north american version of the second generation mitsubishi outlander which debuted in october 2006. Mitsubishi outlander xl mmna (north america) service manual, technical information manual & body repair manual, my 2007. How to read configuration diagrams. Currently, only one engine has been developed, a 3.0 l (2,998 cc) v6 first introduced in the north american version of the second generation mitsubishi outlander which debuted in october 2006. Fuse box diagram (location and assi...
2004 Dodge Ram Fuse Box : Diagram 1996 Dodge Ram Fuse Panel Box Diagram Full Version Hd Quality Box Diagram Diagramwiki Iforyouitalia It / Yes, i did read the owners manual. . Access online used parts and accessories for 2004 dodge ram 1500 pickup vehicles. Has anyone ever experienced fuse 23 blowing and not allowing your truck to turn over? 2004 dodge ram 1500 5.7 hemi, engine had the typical tick which gave way to #1 cylinder misfire and zero compression number one. We offer a full selection of genuine dodge ram 1500 fuse boxes, engineered specifically to restore factory fits the following dodge ram 1500 years: I never realized every fuse holder in the box is used. 2004 dodge ram 1500 5.7 hemi, engine had the typical tick which gave way to #1 cylinder misfire and zero compression number one. I never realized every fuse holder in the box is used. 2004 dodge grandcaravan why is the front fan not coming on when i turn on the heat or ac check fuse & relay alraedy… ...
Komentar
Posting Komentar